3D Flag Door Hinge
![]() Click to enlarge |
|
Attractive 3D Flag door hinge
3 way adjustment combining product excellence with ease of fabrication
Non handed - will fit left ot right handed doors.
Hinge to suit rebate heights 12-16mm+ (19mm ET with packers)
Variants to suit sculptured/chamfered profiles (SET) and profiles with a 22mm frame to sash height (HET)
Simple allen key adjustment enables door movement to be compensated for without the need of an installation engineer
Available in White, Black, Brown, Caramel, Champagne Gold, Chrome and Flint
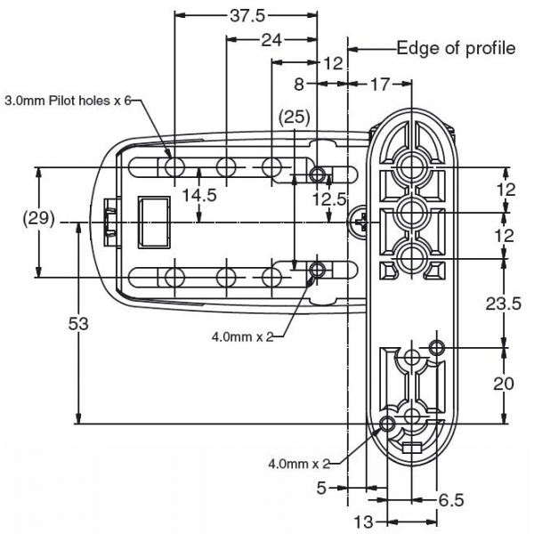
See additional images for dimensions
Assessment Data:-
Performance: Endurance tested to 100,000 operations, Load tested to 100kg on 3 hinges
Corrosion resistance: All finishes meet the requirements of BS EN 1670 - grade 5 (500 hrs Salt Spray)
Material Specifications:-
Hinge leaf, Carriage plate and Body: Zinc Alloy BS1004A
Top/Bottom Bush: Nylon 6
Pins: Stainless Steel
Powder Coating: White, Black, Brown and Caramel, 60 microns minimum coating thickness
PVD/Chrome Coating: Champagne Gold/Chrome/Flint, multiple layer plating process
Your Review: Note: HTML is not translated!
Rating: Bad Good
Enter the code in the box below:



Share This Page

Information
Shopping Cart
Manufacturers
Tag Cloud
Reviews













